
Ltspice Lesson 1 Generating Iv Curves
Ltspice

Two Stage Bjt Amplifier Youspice


Ltspice Lecture 3 Bjt Chacteristics

How To Modify Size A Single Transistor In Ltspice
A Simulation Of Single Stage Bjt Amplifier Using Ltspice

Kerry D Wong Blog Archive Bjt In Reverse Avalanche Mode

Ltspice Modeling

Simulating Circuits More Examples Ashwith
Wrong Bjt Fitting With Spice Model Vs Sp File Issue 872

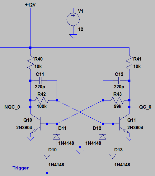
Transistor Clock Part 2 Prescaler Ch00ftech Industries

Implementation Of Cmos Op Amp Using Ltspice Mos Transistor S

Problem 4 40 Pts Let S Have A Look At Another I

Transistor Clock Part 2 Prescaler Ch00ftech Industries

Types Of Spice Simulation Monte Carlo Basic Knowledge
Comments
Post a Comment